Como empresa de engenharia elétrica especializada, possuímos um processo meticuloso para elaborar projetos elétricos de alta qualidade, entendendo que cada projeto é único e requer uma abordagem personalizada para nos permitir criar soluções elétricas eficientes e confiáveis para nossos clientes. Em resumo, nosso processo de elaboração de projetos elétricos envolve uma análise cuidadosa dos requisitos, desenvolvimento de projetos conceituais e detalhados, análise e simulações, documentação completa e suporte contínuo.

Projetos Elétricos
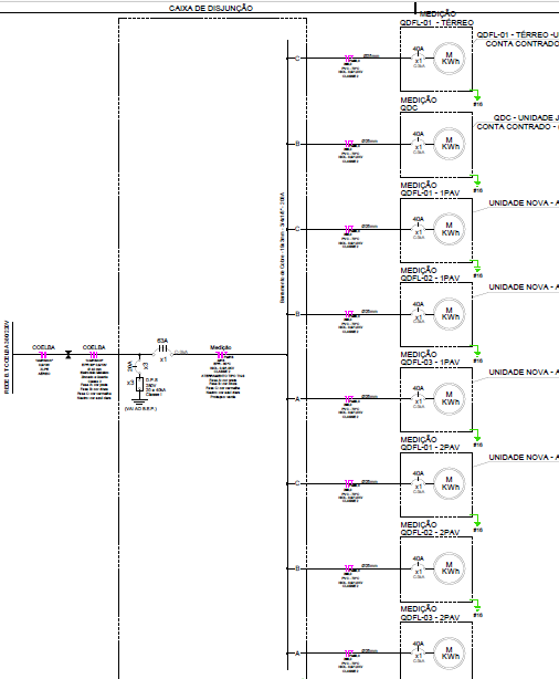
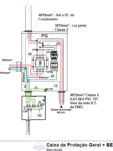
- Projetos executivos de sistemas elétricos de baixa e média tensão de empreendimentos comerciais, residenciais e prediais;
- Serviços de elaboração e aprovação de projetos na concessionária de energia da região dos empreendimentos;
- Layout personalizado de acordo com as necessidades do local, favorecendo as atividades da edificação;
- Aprovação Concessionária.
Projetos de Subestações Aéreas
- Elaboração de projeto de Subestações com aprovação na concessionária de energia da região dos empreendimentos;
- Aplicação em indústrias, centros comerciais, edifícios, condomínios residenciais, supermercados, hospitais e obras ou eventos;
- Projetos de subestações industriais elaborados seguindo os requisitos de regulamentações, como a NBR 14039 e a NBR 5410;
- A concessionária de energia obriga a instalação de uma subestação por meio de projeto elétrico quando a carga instalada for de 75 a 300kVA.


- Laudo e conformidade do sistema existente. Laudo solicitado por órgãos públicos (Corpo de bombeiros/CREA);
- Estudo do Gerenciamento de Risco (GR) para a implantação do SPDA+MPS ou aplicação de adequações, caso necessárias;
- Projeto de atualização dos sistemas antigos para atender aos padrões de segurança atuais conforme a ABNT NBR 5419:2015;
- Inspeção periódica - 01 a 03 anos (Essenciais em regiões litorâneas, munições ou explosivos) - Emissão de relatório.






